4.76
Ref.

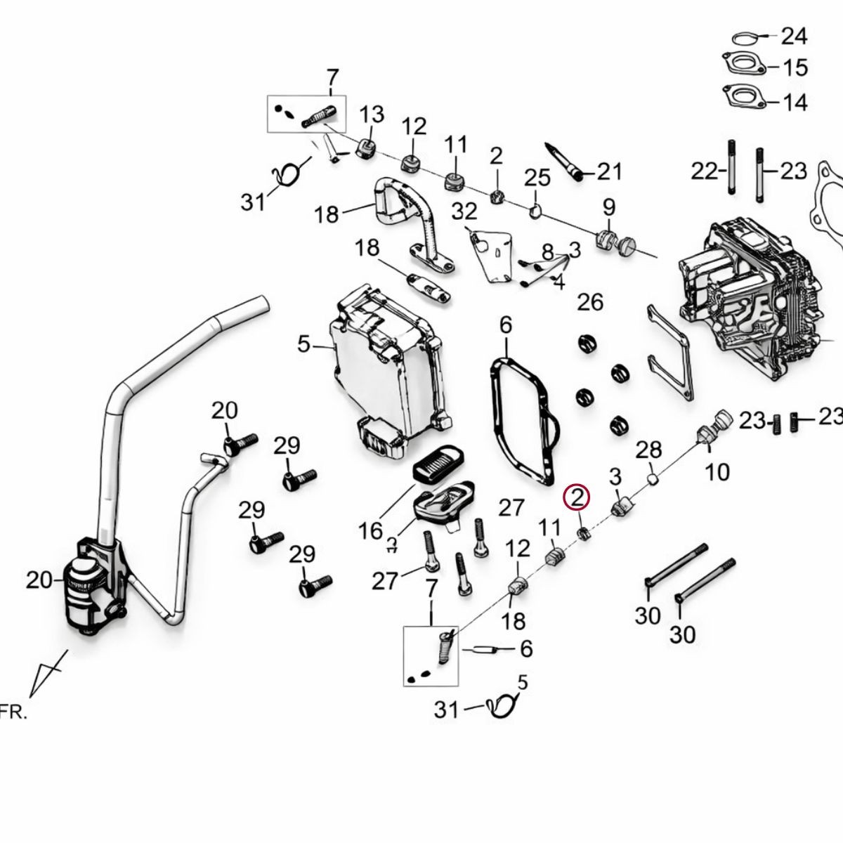
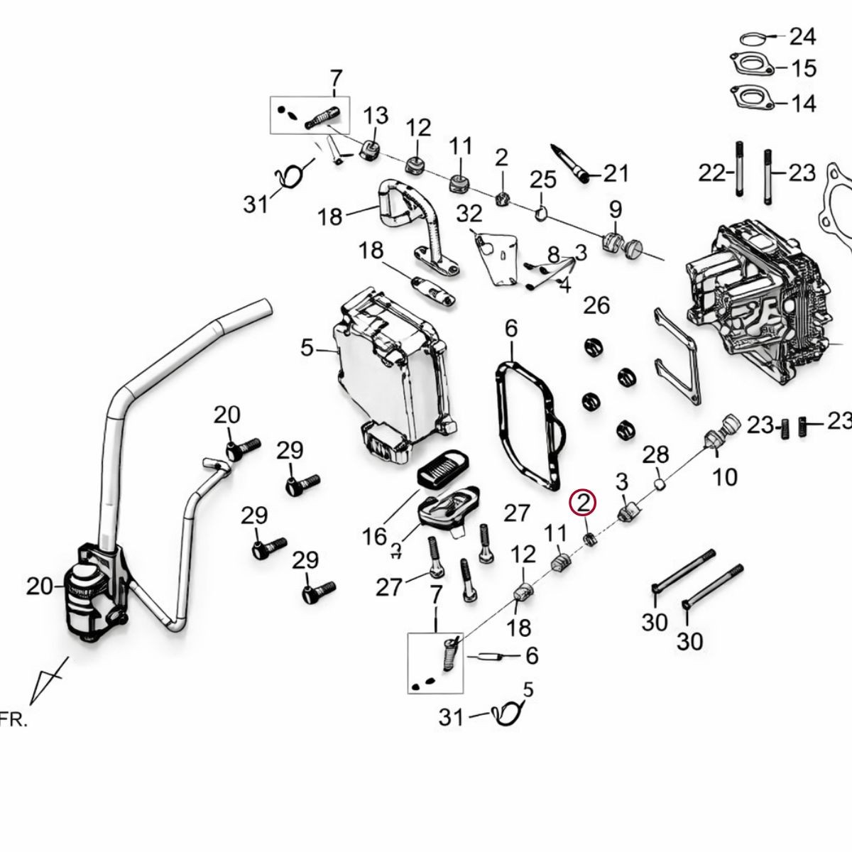
Retenes de válvula SYM ADX 300, ALLO 125, CITYCOM 125 / 300 / S 300i

0 valoraciones
El retén de válvula SYM 12209-H6B-900 es un recambio OEM diseñado para garantizar la máxima estanqueidad en la zona de guía de válvulas del motor, evitando fugas de aceite hacia la cámara de combus… Leer más
4.76
IVA incluido
Consigue puntos SOMBIKERS para canjear en tus compras. 

Consigue puntos SOMBIKERS en tus compras.
por cada 10.00 para la categoría "Motor" consigue 5 Puntos SomBikers
  • Envío desde 3,50€ Envío desde 3,50€
  • Envío GRATIS En pedidos superiores a 50€ Envío GRATIS En pedidos superiores a 50€

El retén de válvula SYM 12209-H6B-900 es un recambio OEM diseñado para garantizar la máxima estanqueidad en la zona de guía de válvulas del motor, evitando fugas de aceite hacia la cámara de combustión y asegurando un funcionamiento estable y limpio del propulsor. La fabricación con materiales específicos de alta resistencia térmica y química permite que el retén mantenga su elasticidad durante largos periodos de uso, incluso en motores sometidos a altas temperaturas o uso intensivo diario. Este retén está concebido para ofrecer un ajuste preciso, durabilidad superior y compatibilidad total con motores SYM de diferentes cilindradas.

Su instalación es directa, sustituyendo al retén original del fabricante sin necesidad de modificaciones. Esto garantiza que el motor mantenga su nivel óptimo de compresión, reduzca el consumo de aceite y evite la aparición de humo azul, uno de los síntomas más comunes cuando los retenes de válvula pierden eficacia. Gracias a su diseño OEM, cumple las tolerancias exactas y los estándares de calidad exigidos por SYM, ofreciendo un sellado perfecto y una larga vida útil. Es un componente esencial en tareas de mantenimiento preventivo, reparación de culatas o revisiones completas de motor.

Este recambio es compatible con una amplia gama de scooters y motocicletas SYM, incluyendo modelos de 50 cc hasta 300 cc de diversas generaciones. Su versatilidad lo convierte en uno de los repuestos más utilizados en intervenciones de motor dentro del catálogo SYM. A continuación, se presentan todas las aplicaciones compatibles de forma literal y organizada.


Compatibilidades (ordenadas alfabéticamente por modelo)

ADX 300

  • ADX 300 TCS TEA30T1CN-EU GRIS

  • ADX 300 TCS TEA30T1CN-EU NEGRO

  • ADX 300 TCS TEA30T1CN-EU BLANCO

ALLO 125

  • AJ12W2-6 NEGRO

  • AJ12W2-6 BLANCO

  • AJ12W2-6 BLANCO MATE

  • AJ12W2-6 CHAMPAGNE

  • AJ12W2-6 BLANCO MATE/GRIS

CITYCOM 125 / 300 / S 300i


COMBIZ 125

  • AP12W2-6 NEGRO

  • AP12W2-6 BLANCO

CROX 125

Todos los colores y versiones E4 detalladas.

CRUISYM 300i ABS

Todas las configuraciones de color y variantes E4 especificadas.

EUROMX 125 / 150

Todas las versiones y colores indicados.

FIDDLE II / FIDDLE III / FIDDLE S (50–125 cc)

Toda la gama incluida en el listado original.

GTS 125 / 250 / 300 EVO

Todos los modelos y colores indicados.

HD 125 / HD 200 / HD2 (incluyendo CBS y E4)

Todas las variantes listadas.

JET 4 / JET 14 (50–200 cc)

Todas las referencias incluidas.

JOYMAX 125 / 300 / ABS / S&G / SPORT / Z 300

Más de 80 aplicaciones incluidas en el listado original.

JOYRIDE 125 / 180 / 200 / 300 ABS

Todas las versiones proporcionadas.

MASK 125

Modelos negro, rojo y blanco.

MAXSYM 400 / MAXSYM 600 (incluido ABS, E4 y SPORT)

Todas las variantes del listado.

MIO 50 / 100

Todos los colores y versiones enviados.

ORBIT II 50

Modelos Jet Black, White y Red.

QUADLANDER 250 / 300 / QUADRAIDER 600

Todos los modelos facilitados.

SHARK 125

Todas las combinaciones de color.

SYMPHONY 50 / 125 / 200 (incluye LX, S, SR, ST, Cargo y E4)

Todas las referencias incluidas.

SYMPLY 50

Todos los colores.

TRACKRUNNER 180

Modelos en verde, azul, amarillo y gris.

VS 125

Todos los modelos indicados.

WOLF 250

Negro, negro mate y blanco.

X PRO 50 / 125

Todas las versiones enviadas.


Características principales

  1. Retén OEM SYM, ajuste perfecto y máxima fiabilidad.

  2. Materiales de alta resistencia térmica, ideal para uso intensivo.

  3. Previene fugas de aceite, mejorando el rendimiento del motor.

  4. Compatibilidad con más de 300 modelos SYM.

  5. Durabilidad prolongada y excelente estanqueidad.

  6. Recambio esencial para mantenimientos de culata y motor.

Sé el primero en escribir un comentario.